温州市王伟电子有限公司

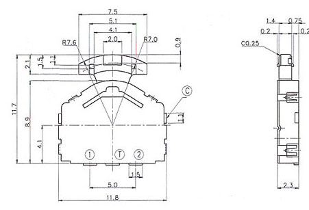
TS11T

编号№:513

型号规格:TS11T系列中文命名:短柄滚轮型开关

基本参数
  1.额定范围Rating: 50mA 12VDC

2.接触电阻Contact Resistance : 50mΩ max(initial)

3.绝缘电阻Insulation Resistance: 100MΩ(minDC 250V)

4.耐压强度Dielectric Strength : AC250V(50/60Hz for 1minute)

5.机械寿命Electrically Life:1000000cycles

6.环境温度Environment temperature: -25℃~+70℃

7.操作力度Operating Force: 100(±30gf)

8.热变形温度Seal temperature:270℃-280℃
包装情况
只/袋
袋/盒
只/箱
盒/箱
外箱尺寸(cm)
毛重(kg)
1000
10
10000
 
0
0

主要技术规格                              详细技术规格书(内部使用)
订货询价(注:如有其它特殊要求,请直接与本公司销售部门联系)
型号规格
基本特性
颜色要求
品质描述
操作
编号
高(H)
按力(gf)
基座
按钮
TS11T黑色灰色513-24
 

点击
隐藏

微信
咨询


扫一扫,了解更多!

电话
咨询

0577-62305225
客服热线