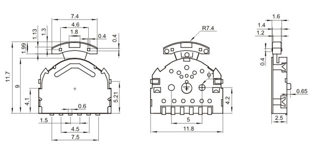
编号№:762
|  | | 型号规格:TS1101系列 | 中文命名:滚轮开关 |
| 基本参数 |
| | 1.环境温度Environment temperature: -10℃~60℃
2.额定电阻Rated Load: ≤50mΩ
3.接触电阻Contact Resistance : ≤30mΩ
4.绝缘电阻Insulation Resistance: ≥100mΩ
5.耐压强度Withstand Voltage: AC 100V(50Hz)/1minute
6.操作力度Operating Force: (Rotary 2-Direction)80±50gf
(Push Direction)250±50gf
7.机械寿命Electrically Life:≥10,000cycles | | 包装情况 |
| 只/袋 |
袋/盒 | 只/箱 | 盒/箱 |
外箱尺寸(cm) | 毛重(kg) |
|
|
|
| |
|
|
| 订货询价(注:如有其它特殊要求,请直接与本公司销售部门联系)
| 型号规格 |
基本特性 | 颜色要求 | 品质描述 |
操作 | 编号 |
| 高(H) |
按力(gf) |
基座 | 按钮 |
|