Wenzhou WangWei Electronics Co.,Ltd.

Product Center

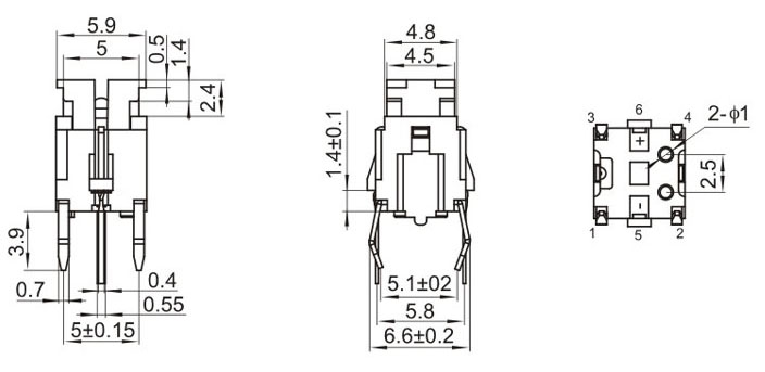
TSD66D*-000

编号№:749

型号规格:TSD66D*-000系列中文命名:6×6带灯轻触开关

基本参数
  1.额定范围Rating: DC 12V 50mA

2.接触电阻Contact Resistance : ≤50MΩ

3.绝缘电阻Insulation Resistance: ≥100MΩ

4.耐压强度Dielectric Strength : AC 250V 1minute

5.操作力度Operating Force: 180±50gf or 250±50gf

6.机械寿命Electrically Life:≥100,000cycles
包装情况
只/袋
袋/盒
只/箱
盒/箱
外箱尺寸(cm)
毛重(kg)
 

主要技术规格                              详细技术规格书(内部使用)
订货询价(注:如有其它特殊要求,请直接与本公司销售部门联系)
型号规格
基本特性
颜色要求
品质描述
操作
编号
高(H)
按力(gf)
基座
按钮