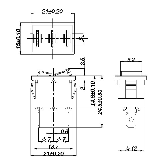
编号№:302
|  | | 型号规格:KCD816系列 | 中文命名:816船形开关 |
| 基本参数 |
| | 额定电流电压 15A 250V AC/10A 125V AC
接触电阻 ≤30mΩ
绝缘电阻 ≥100MΩ
介电强度 ≥1500V AC/min
电器寿命 ≥10000次
环境温度 25T85
| | 包装情况 |
| 只/袋 |
袋/盒 | 只/箱 | 盒/箱 |
外箱尺寸(cm) | 毛重(kg) |
| 0 |
0 | 0 | |
0 | 0 |
| 订货询价(注:如有其它特殊要求,请直接与本公司销售部门联系)
| 型号规格 |
基本特性 | 颜色要求 | 品质描述 |
操作 | 编号 |
| 高(H) |
按力(gf) |
基座 | 按钮 |
|