编号№:480
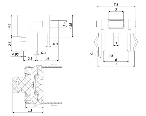
|  | | 型号规格:TSZJ36H系列 | 中文命名:3*6支架轻触开关 |
| 基本参数 |
| | 1.额定范围Rating: 50mA 12VDC
2.接触电阻Contact Resistance : 50mΩ max(initial)
3.绝缘电阻Insulation Resistance: 100MΩ(minDC 250V)
4.耐压强度Dielectric Strength : AC250V(50/60Hz for 1minute)
5.机械寿命Electrically Life:50,000cycles
6.环境温度Environment temperature: -25℃-70℃
7.操作力度Operating Force: 180/250(±30gf) | | 包装情况 |
| 只/袋 |
袋/盒 | 只/箱 | 盒/箱 |
外箱尺寸(cm) | 毛重(kg) |
| 1000 |
2 | 50000 | |
0 | 0 |
| 订货询价(注:如有其它特殊要求,请直接与本公司销售部门联系) |