编号№:748
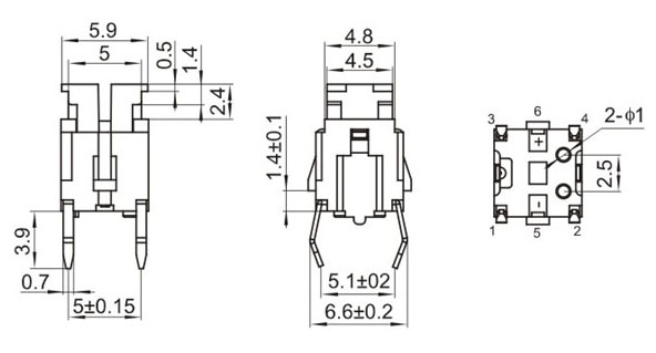
|  | | 型号规格:TSD66B-000系列 | 中文命名:6×6带灯轻触开关 |
| 基本参数 |
| | 1.额定范围Rating: DC 12V 50mA
2.接触电阻Contact Resistance : ≤50MΩ
3.绝缘电阻Insulation Resistance: ≥100MΩ
4.耐压强度Dielectric Strength : AC 250V 1minute
5.操作力度Operating Force: 180±50gf or 250±50gf
6.机械寿命Electrically Life:≥100,000cycles | | 包装情况 |
| 只/袋 |
袋/盒 | 只/箱 | 盒/箱 |
外箱尺寸(cm) | 毛重(kg) |
|
|
|
| |
|
|
| 订货询价(注:如有其它特殊要求,请直接与本公司销售部门联系)
| 型号规格 |
基本特性 | 颜色要求 | 品质描述 |
操作 | 编号 |
| 高(H) |
按力(gf) |
基座 | 按钮 |
|