温州市王伟电子有限公司

TS66HSMD

编号№:580

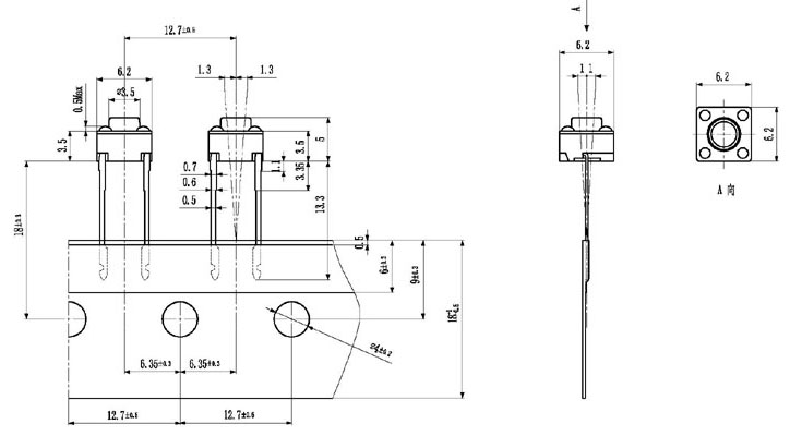
型号规格:TS66HSMD系列中文命名:6X6长二脚编带轻触开关

基本参数
  1.额定范围Rating: DC 12V 50mA

2.接触电阻Contact Resistance : ≤50MΩ

3.绝缘电阻Insulation Resistance: ≥100MΩ

4.耐压强度Dielectric Strength : AC 250V 1minute

5.机械寿命Electrically Life:≥10,000cycles
包装情况
只/袋
袋/盒
只/箱
盒/箱
外箱尺寸(cm)
毛重(kg)
 

主要技术规格                              详细技术规格书(内部使用)
订货询价(注:如有其它特殊要求,请直接与本公司销售部门联系)
型号规格
基本特性
颜色要求
品质描述
操作
编号
高(H)
按力(gf)
基座
按钮
 

点击
隐藏

微信
咨询


扫一扫,了解更多!

电话
咨询

0577-62305225
客服热线