编号№:911
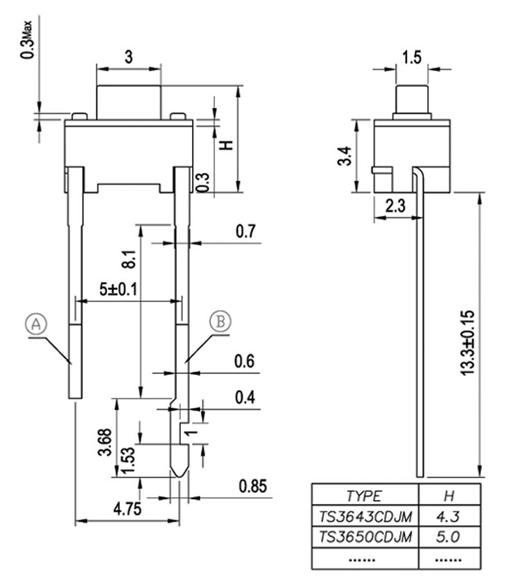
|  | | 型号规格:TS36HCDJM系列 | 中文命名:3*6轻触开关 |
| 基本参数 |
| | 1、额定负荷Rating:DC12V 50mA
2、行 程Travel:0.20±0.1mm
3、接触电阻Contact Resistance:≤100mΩ
4、动 作 力Operating Force:250±50gf
5、寿 命Electrically Life:≥50000次 | | 包装情况 |
| 只/袋 |
袋/盒 | 只/箱 | 盒/箱 |
外箱尺寸(cm) | 毛重(kg) |
|
|
|
| |
|
|
| 订货询价(注:如有其它特殊要求,请直接与本公司销售部门联系)
| 型号规格 |
基本特性 | 颜色要求 | 品质描述 |
操作 | 编号 |
| 高(H) |
按力(gf) |
基座 | 按钮 |
|