当前位置:
电话:0577-62305225
传真:0577-62305229
邮箱:
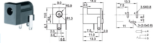
上一个:DC-001A
下一个:DC-002
点击 隐藏
微信 咨询
电话 咨询
0577-62305225 客服热线